6.4 Sähköopin tehtäviä
Sähköopin tehtävistä
Tehtävät 31-50: Tehtäviä sähköisestä voimasta ja sähkökentistä
Tehtävät 51-70: tehtäviä kondensaattoreista, puolijohteista, diodeista ja ledeistä
Tehtävät 71: Vaativia tehtäviä eri aiheista
Virtapiirikaavio on piirros, joka vaaditaan usein ratkaisujen yhteyteen. Piirikaavioiden piirtämiseen sopivia ohjelmistoja ovat DIA ja NspireCAS, josta löytyy valmiit graafiset mallit eri komponenteille. Kokeessa kuvana annetun kaavion voi myös avata piirto-ohjelmassa ja lisätä siihen tarvittavat merkinnät.
Tehtäviä tasavirtapiireistä
1.

Vastaus: Kokonaisvirta 0,15A, R(2) yli virta 0,6A ja R(3) yli virta 0,9A
1.
Sinulla ei ole tarvittavia oikeuksia lähettää mitään.
2. Lääketieteen pääsykoe 2019
3. YO s2018 (osa tehtävästä)
a) Kytkin on avoinna. Mikä kuvista 1.–4. esittää tällöin lamppujen kirkkauksia? Perustele lyhyesti vastauksesi. (5 p.)
b) Kytkin on suljettu. Mikä kuvista 1.–4. esittää tällöin lamppujen kirkkauksia? Perustele lyhyesti vastauksesi. (5 p.)
3.
Sinulla ei ole tarvittavia oikeuksia lähettää mitään.
4. YO #7 s2011

a) piirissä kulkeva sähkövirta,
b) polttimon Q napajännite,
c) paristosta otettu teho?
Perustele vastauksesi.
4.
Sinulla ei ole tarvittavia oikeuksia lähettää mitään.
5. YO #7 s2010

Vastaukset: 1,5 V, 2,0 V, 4,5 V
5.
Sinulla ei ole tarvittavia oikeuksia lähettää mitään.
6. YO20XX
a) Kuinka suuri virta kulkee vastuksen R1 läpi, kun katkaisin K on avoinna? (1 p.)
b) Kuinka suuria ovat vastuksien R1 ja R2 napajännitteet, kun katkaisin K on avoinna? (2 p.)
c) Kuinka suuri virta kulkee vastuksen R3 läpi, kun katkaisin K on suljettu? (3 p.)

Vastaukset: 55 mA; 1,2 V ja 1,8 V; 30 mA
6.
Sinulla ei ole tarvittavia oikeuksia lähettää mitään.
7. YO #7 k2009
a) Kuinka suuri osa sähkövirrasta kulkee kuparikerroksessa? (4 p.)
b) Määritä jännitehäviö johtimessa, kun siinä kulkee 3,5 A:n virta. (2 p.)
(V: 70%, 14 V)
7
Sinulla ei ole tarvittavia oikeuksia lähettää mitään.
8. YO 200X
a) Piirrä kytkentäkaavio napajännitteen ja sähkövirran mittauksesta.
Huom. kytkentäkaavio piirretään esim. DIA-ohjelmistolla (YOssa käytössä), jossa on valmiina valikoima kaaviosymboleja. Toinen vaihtoehto on NspireCAS jossa on widget fysiikan piirroksiin.
DIA:n asennus: http://dia-installer.de/download/index.html.en
Ohje piirtämiseen: https://www.youtube.com/watch?v=_4VyPbH8m8w&t=64s
b) Määritä pariston sisäinen resistanssi.
(V: 0,70 Ohmia)
8
Sinulla ei ole tarvittavia oikeuksia lähettää mitään.
9. YO #7 s2008
|
I/mA |
21 |
43 |
65 |
85 |
106 |
132 |
145 |
168 |
|
U/V |
9,11 |
8,92 |
8,74 |
8,61 |
8,45 |
8,27 |
8,19 |
8,04 |
a) Piirrä mittaukseen soveltuva kytkentä. (2 p.)
b) Määritä sopivaa graafista esitystä käyttäen pariston sisäinen resistanssi ja lähdejännite. (4 p.)
(V: 7,1 [[$\Omega$]]; 9,2 V)
9
Sinulla ei ole tarvittavia oikeuksia lähettää mitään.
10. YO #11 s2013
|
Aika (h) |
0 |
2 |
4 |
6 |
8 |
10 |
12 |
14 |
16 |
18 |
20 |
|
Jännite (V) |
1,308 |
1,253 |
1,241 |
1,228 |
1,207 |
1,179 |
1,170 |
1,140 |
0,206 |
0,065 |
0,038 |
a) Kuinka paljon varausta siirtyy vastuksen läpi kokeen aikana?
b) Kuinka paljon sähköenergiaa muuttuu virtapiirissä lämmöksi kokeen aikana?
(V: 6900 C, 8300 J)
10
Sinulla ei ole tarvittavia oikeuksia lähettää mitään.
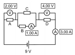
11. k2015 #7
a) Piirrä kuvan kytkennöistä kytkentäkaavio käyttäen komponenttien symboleja. Merkitse kytkentäkaavioon myös lamppujen tunnuskirjaimet A, B ja C. (4 p.)
b) Piirrä a-kohdan kytkentäkaavioon mittarit, joilla mitataan lampun A napajännitettä ja lampun C läpi kulkevaa sähkövirtaa. (2 p.)
11
Sinulla ei ole tarvittavia oikeuksia lähettää mitään.
12. YO 200X
a) Autoa käynnistettäessä käynnistinmoottorin kautta kulkee 250 A:n virta. Kuinka suuri on tällöin akun napajännite?
b) Tästä akusta otetaan ulkoiseen vastukseen lyhytaikaisesti mahdollisimman suuri teho. Kuinka suuri on tällöin piirissä kulkeva virta?
(V: 8,6 V; 390 A)
12
Sinulla ei ole tarvittavia oikeuksia lähettää mitään.
13. YO s2018
Aineisto: 3.A Kuva: Virtapiiri, jota simulaatiossa käsitellään 3.B Tiedosto: Virtapiirin simulaatio
a) Määritä simulaatiota käyttäen vastuksen Ra resistanssi. (5 p.)
b) Määritä simulaatiota käyttäen pariston Ux lähdejännite. (4 p.)
c) Määritä simulaatiota käyttäen vastuksen Rb resistanssi. (6 p.)
(V: 56,0 Ω; 1,35 V; 22,0 Ω)
13.
Sinulla ei ole tarvittavia oikeuksia lähettää mitään.
14. YO #10 s2012
Määritä oheisen kuvan virtapiirissäa) virta 8,0 Ω vastuksessa,
b) jännitehäviö 4,0 Ω vastuksessa ja
c) lämpöteho 16 Ω vastuksessa.
Jännitelähteiden sisäinen resistanssi on hyvin pieni.
(V: 1,4 A; 3,0 V; 6,9 W)
14
Sinulla ei ole tarvittavia oikeuksia lähettää mitään.
15. YO #7 k2011
a) Piirrä periaatteellinen kytkentäkaavio. (kommentti: voi olla haastava piirtää DIA:lla, paperihahmotelma riittää)
b) Kuinka suuren maksimivirran ankerias voi aiheuttaa veteen?
c) Kuinka suuri virta kulkee tällöin yhden sähkösolun läpi?
(V: 0,93 A; 6,6 mA)
15
Sinulla ei ole tarvittavia oikeuksia lähettää mitään.
16 YOk2018
Tarkastellaan tilannetta, jossa
a) UA = 6,0 V
b) UA = 1,5 V
Piirrä tilanteista a ja b kuvaajat (potentiaalikäyrät), joista ilmenevät potentiaalien arvot pisteissä 1–5. Ilmoita myös potentiaalien arvot näissä pisteissä.
(Ohje: Voit piirtää kuvaajan loggerpolla yhdistä pisteet -toimintoa käyttäen)
16
Sinulla ei ole tarvittavia oikeuksia lähettää mitään.
17. Kiertokäämimittari YO k2020
5.B Kuva: Kiertokäämimittari ja sen kytkentä jännitteen mittauksessa
a) Kuinka suuri vastuksen RI resistanssin pitää olla, kun mitataan sähkövirtaa alueella 0...100 mA? Anna vastaus kahden merkitsevän numeron tarkkuudella. 8 p.
b) Kuinka suuri vastuksen RU resistanssin pitää olla, kun mitataan jännitettä alueella 0…1 V? Anna vastaus kahden merkitsevän numeron tarkkuudella. 7 p.
(V: a) 0,36 Ω b) 9,6 kΩ)
17.
Sinulla ei ole tarvittavia oikeuksia lähettää mitään.
Tehtäviä sähköisestä voimasta ja sähkökentistä
31. YO k1998 #7
b) Eristetty metallipallo, jonka halkaisija on 1 cm ja varaus +2 nC on aluksi 2,5 m:n päässä toisesta eristetystä metallipallosta, jonka halkaisija on 10 cm ja varaus +0,05 nC. Määritä pienempään palloon kohdistuva voima. (0,1 nC)
c) Pieni pallo viedään lähelle ison pallon pintaa. Miksi pallot vetävät nyt toisiaan puoleensa?
31.
Sinulla ei ole tarvittavia oikeuksia lähettää mitään.
32. YO k1997 #8
Sumuttimesta saadun pienen öljypisaran liikettä tasokondensaattorin vaakasuorien levyjen välissä seurattiin mikroskoopilla. Levyjen välimatka oli 20,0 mm ja pisaran massa 26 pg.
a) Kun ylempi levy oli maadoitettu ja alemman levyn potentiaali säädettiin arvoon -8,1 kV, pisara pysyi pitkään vakiokorkeudella. Määritä pisaran varaus mahdollisimman tarkasti.
b) Kesken seurannan pisarasta irtosi yksi elektroni. Kuinka suuren ja minkä suuntaisen kiihtyvyyden pisara sai?
(V: -4e ja 2,3 m/s2)
32.
Sinulla ei ole tarvittavia oikeuksia lähettää mitään.
33. YO s2000 #7
Pieni negatiivisesti varattu johdepallo, jonka massa on 65 mg, riippuu kevyen eristelangan varassa kahden laajan pystysuoran metallilevyn välisessä homogeenisessa sähkökentässä. Kun levyt ovat 82 mm:n etäisyydellä toisistaan ja niiden välinen jännite on 960 V, lanka muodostaa 7,5°:n kulman luotiviivaan nähden. Laske pallon varaus.
(V: -7,2 nC)
33.
Sinulla ei ole tarvittavia oikeuksia lähettää mitään.
34. YO S1998 #8
a) Miten selitetään kappaleiden varautuminen hankaussähköilmiössä? Mitä haittaa hankaussähköstä voi olla? b) Selitä tarkasti, minkä vuoksi nauhageneraattorin positiivisesti varautuvaan kupuun kiinnitetyn metallinapin kärjessä oleva siipiratas (kuvio) pyörii generaattorin käydessä.
34.
Sinulla ei ole tarvittavia oikeuksia lähettää mitään.
35. Varatut pingispallot YO s2020
a) Piirrä vasemmanpuoleisen pingispallon voimakuvio, ja nimeä palloon vaikuttavat voimat. 5 p.
b) Mitä voit sanoa pallojen varauksien merkeistä ja keskinäisestä suuruudesta? Määritä pallojen sähkövaraukset. 10 p.
(V: b) 47 nC)
35
Sinulla ei ole tarvittavia oikeuksia lähettää mitään.
Tehtäviä kondensaattorista ja ledistä
51. TKK:n valintakoe 2011 - kondensaattori
a) Laske kondensaattorin 1 varaus. (2p)
b) Varattu kondensaattori kytketään sarjaan varaamattoman kondensaattorin kanssa ja sitten sarjaankytkennän vapaina olevat päät oikosuljetaan. Laske, mikä kondensaattorin 1 jännitteeksi muodostuu, kun toisen kondensaattorin kapasitanssi on 4,7 µF. Piirrä kytkentä ja merkitse kytkentään kondensaattorilevyjen varausten merkit lopputilassa. (4p)
(V: b) 1,8 V)
51.
Sinulla ei ole tarvittavia oikeuksia lähettää mitään.
52. YO k2019 #3 Kondensaattorin kapasitanssin määrittäminen
t3_data.cmbl
(V: 2,8 μF)
52.
Sinulla ei ole tarvittavia oikeuksia lähettää mitään.
53. YOs2019 #3 - Ledilamppu autossa
Punaisen ledilampun kynnysjännite on 1,7 V. Lamppu ei pala, jos sen jännite on alle kynnysjännitteen. Oletetaan, että jännite ledin yli ei muutu, kun sähkövirta on suurempi kuin 15 mA. Lediä käytetään tavallisesti 20,0 mA:n päästövirralla. Ledi suojataan liian suurelta sähkövirralta kytkemällä ledin kanssa sarjaan sopiva etuvastus. Aineisto: 3.A (kuva oikealla)
Ledilamppu on liitetty auton 12 V:n pistokkeeseen (tupakansytyttimeen). Pistokkeesta saatava jännite on 14,4 V auton ollessa käynnissä. Laske, kuinka suuri ledin kanssa sarjaan kytketyn etuvastuksen resistanssin tulee vähintään olla, että ledin sähkövirta on 20,0 mA. (6 p.)
Auton pistokkeesta saatavassa jännitteessä voi esiintyä hetkellisiä piikkejä. Kuinka korkean jännitepiikin ledilamppu enintään kestää rikkoutumatta, kun etuvastuksen resistanssi on 830 Ω ja ledi rikkoutuu yli 30,0 mA:n sähkövirralla? (3 p.)
Käynnissä olevan auton pistokkeen jännite on 14,4 V. Pistokkeeseen kytketään kahden punaisen ledin muodostama lamppu, jossa ledit on kytketty rinnan. Molemmilla ledeillä on yhteinen etuvastus kuvan 3.A mukaisesti. Ledin kynnysjännite on edelleen 1,7 V, ja ledin sähkövirta on 20,0 mA. Mikä on etuvastuksen resistanssin oltava tässä tapauksessa? (6 p.)
(V: 640 [[$\Omega$]], 27 V, 320 [[$\Omega$]])
53.
Sinulla ei ole tarvittavia oikeuksia lähettää mitään.
Haastavia tehtäviä eri aiheista
71. YO #11 k2013
a) Yksi paristo kytketään vahingossa väärin päin. Kuinka suurella teholla väärin kytketty paristo lämpenee?
b) Millaisella kytkennällä voidaan estää paristojen väärin kytkemisestä aiheutuvat vahingot?
(5,4 W)
71.
Sinulla ei ole tarvittavia oikeuksia lähettää mitään.
72. Lääketieteen pääsykoe 2013
Kuva: Veren virtaus kapillaarissa kuvattuna vastinpiirillä, jossa tilavuusvirtaus korvataan sähkövirralla, virtausvastus sähkövastuksella ja nesteen paine jännitteellä (katso alla oleva taulukko). (a) Kapillaarin virtausvastusta kuvaa vastinpiirissä sähkövastus. (b) Kuvan a tasavirtapiiriin on lisätty vastus R2 osoittamaan kapillaarin lisääntynyttä virtausvastusta.
a) Kirjoita yhtälö jännitteen muutokselle ΔU, kun virran I halutaan pysyvän samana vastuksen lisäyksestä huolimatta. (2 p.)
b) Verisuonen ahtauma aiheuttaa verenpaineen paikallista nousua, koska sama määrä nestettä pitää saada ahtaammasta suonesta läpi. Tilannetta vastaa kuvan b mukainen tasavirtapiiri, jossa R1 on kanavan normaali virtausvastus ja R2 on ahtaumasta johtuva lisävastus. Vastinvirtapiirille voidaan kirjoittaa:
(1) [[$ \Delta U $]] vastaa [[$ \Delta p $]]
(2) [[$ I $]] vastaa [[$ \Phi = \dfrac {\pi r^4 \Delta p}{8 \eta x}$]]
Kirjoita yhtälö paine-eron muutokselle, kun veren virtauksen pitää pysyä samana ahtaumasta huolimatta. Vastinpiirin merkinnät on elitetty oheisessa taulukossa. (5 p.)
72.
Sinulla ei ole tarvittavia oikeuksia lähettää mitään.
73. YOk2019 Osio 3 #9 - Ledin valotehon säätö (Osio 3 - 20 p.)
Aineisto: 9.A Kuva: Kuvat kytkentäkaavioista 9.B Kuva: Cree XLAMP XM-L2 -datalehti
a) Sinulla on käytössäsi ledi, akku ja kaksi vastusta, joista toinen on säädettävä. Valitse kuvassa 9.A esitetyistä kytkentäkaavioista sellainen, jonka avulla ledin valotehoa voidaan säätää portaattomasti. (3 p.)
b) Akun lähdejännite on 4,5 V. Kuvassa 9.B on annettu tietoa käytössä olevasta ledistä. Mitoita kytkennässä olevat vastukset siten, että ledin valotehoa voidaan säätää portaattomasti välillä 150 lm ... 900 lm. (12 p.) Ohje kuvien ja kaavojen liittämiseen
c) Määritä akusta otettava teho, kun ledi valaisee 900 lm:n kirkkaudella. (5 p.)
(V: b) 0,47 Ω ja 5,5 Ω c) 12 W)
73.
Sinulla ei ole tarvittavia oikeuksia lähettää mitään.