1.3 YO-kokeen osion 1 harjoitustehtäviä

1. Osion sisällöstä

Osio 1 sisältää pakollisia monivalintatyyppisiä tehtäviä 20 p. edestä. Kysymyksiä voi olla kaikilta fysiikan osa-alueilta. Opiskelijan, joka hallitsee syventävien kurssien keskeisimmät aiheet ja jolla on fysikaalista yleissivistystä, voi odottaa pärjäävän hyvin.

Kurssi FY1 sisältää fysiikan perustietoja monista aihepiireistä, joista esim. seuraavat aiheet ovat todennäköisiä yo-kokeen 1. osiossa.

  • Suureet ja yksiköt
  • Liikkeen kuvaajat ja niiden yhteydet
  • Newtonin lait ja voimakuviot yleisellä tasolla
  • Aineen pienimmät rakenneosat
  • Maailmankaikkeuden suuret rakenteet
  • Perusvuorovaikutukset
Osiossa 1 on tavallisesti ollut 10 kpl 2 pisteen kysymyksiä, mutta muunkinlainen pistejakauma on mahdollinen. Tehtävänanto pitää lukea huolella, sillä on mahdollista että oikeita vastauksia on useita, sama vaihtoehto käy useaan kohtaan tms. Toistaiseksi yo-kokeessa ei ole esiintynyt tehtäviä, joissa vääristä vastauksista saisi negatiivisia pisteitä. Mikäli tehtävänannossa ei mainita tällaista, kannattaa vastata jokaiseen kohtaan osiossa 1.

Harjoitustehtäviä

Alle on koottu monivalintatyyppisiä tehtäviä aiempien vuosien yo-kokeista. Aiheet ovat lähinnä Fy1-kurssin sisältöjä. Tehtävänantoja ja pisteytystä on muokattu osassa tehtävistä koneellisesti tarkastettavaksi. Maksimipistemäärät vaihtelevat tehtävissä. Näet pistemäärän vastattuasi.

1. Osio 1 k2019

Kirjaudu sisään lähettääksesi tämän lomakkeen

Tämä on kevään 2019 osio 1 kokonaisuudessaan: 10 kappaletta 2 pisteen monivalintatehtäviä.

1.1 Raskas lipasto on vaakasuoralla lattialla. Liisa yrittää siirtää lipastoa työntämällä sitä lattiaa pitkin, mutta lipasto ei lähde liikkeelle. Mikä estää lipaston liikkeellelähdön?






1.2 Saunan kiukaassa on 50 kg kiviä ja padassa on 50 litraa vettä. Alkutilanteessa kivet ja vesi ovat huoneenlämpötilassa. Kun sauna lämmitetään, kivien loppulämpötilaksi tulee 120 °C ja veden loppulämpötilaksi 90 °C. Mikä vaihtoehto on oikein?






1.3
Pulpetissa on puinen kansi ja teräsjalat. Miksi pulpetin jalat tuntuvat käteen kylmemmältä kuin kansi? (2 p.)





1.4
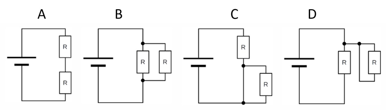
Pienitehoinen sähkölämmitin koostuu vakiojännitelähteestä ja siihen kytketystä vastuksesta R, jonka resistanssi ei riipu jännitteestä. Lämmittimen teho halutaan kaksinkertaistaa lisäämällä kytkentään toinen samanlainen vastus. Miten kytkentä täytyy tehdä? (2 p.)









1.5
Liikemäärän säilyminen on laki, josta ei tunneta poikkeuksia. Matti heittää pallon maahan, pallo pomppaa takaisin, ja Matti ottaa siitä kopin. Mikä on systeemi, jonka liikemäärä säilyy koko tapahtuman ajan? (2 p.)





1.6
Missä suorituksessa urheilijan mekaanista energiaa voidaan pitää lähes vakiona? (2 p.)





1.7 Köyden molemmista päistä aletaan lähettää jatkuvaa aaltoliikettä. Aaltoliikkeet etenevät kuvan mukaisesti toisiaan kohti, ja ne ovat aallonpituudeltaan ja amplitudiltaan yhtä suuret. Mitä tapahtuu aaltoliikkeiden yhdistyessä? (2 p.)






1.8 Kestomagneetin avulla voidaan indusoida jännite käämiin. Missä tapauksessa jännitettä ei synny? (2 p.)





1.9 Mikä seuraavista suureista voidaan määrittää fotonille? (2 p.)





1.10 Mikä vuorovaikutus pitää atomiytimen koossa? (2 p.)





Maksimi 20 p. (Vastaukset https://yle.fi/aihe/artikkeli/2019/02/13/2019-kevat-fysiikka

Kirjaudu sisään lähettääksesi tämän lomakkeen

2. #1 k2014

Kirjaudu sisään lähettääksesi tämän lomakkeen

Mikä perusvuorovaikutus pitää koossa seuraavat rakenteet? Valitse jokaiseen oikea vaihtoehto A-D alla olevasta listasta ja merkitse vaihtoehdot isoilla kirjaimilla. (muunneltu alkuperäisestä tehtävänannosta, jossa vaihtoehtoja ei annettu valmiina)

vesimolekyyli
spiraaligalaksi
lumikide
protoni.

A gravitaatiovuorovaikutus
B sähkömagneettinen vuorovaikutus
C vahva vuorovaikutus
D heikko vuorovaikutus

Maks. 4 p.

Kirjaudu sisään lähettääksesi tämän lomakkeen

3. YO syksy 2012

Kirjaudu sisään lähettääksesi tämän lomakkeen

Ovatko seuraavien lauseiden väittämät Newtonin mekaniikan mukaisia?

Pöydällä levossa olevaan kirjaan ei vaikuta voimia.


Polttoaineen loputtua kaukana kaikista taivaankappaleista avaruusalus jatkaa matkaansa muuttumattomalla


Kahden kappaleen törmätessä kevyempään kohdistuu suurempi voima.


Huom. alkuperäisessä yo-tehtävässä kysyttiin myös perusteluita. Miten perustelisit vastauksesi?


Maks. 3 p.

Kirjaudu sisään lähettääksesi tämän lomakkeen

4. YO k2018

Kirjaudu sisään lähettääksesi tämän lomakkeen

Tehtävänäsi on määrittää suureet a–f. Mikä tai mitkä niiden alla mainituista suureista täytyy tuntea, jotta kukin suure a–f voidaan määrittää? (Pisteytys: oikeista valinnoista 1 p., vääristä -1 p.)

a) nopeus


b) liikemäärä


c) aallonpituus


d) tiheys


e) resistanssi


f) vaihtojännitteen taajuus


Maks. 12p.

Kirjaudu sisään lähettääksesi tämän lomakkeen

5. YO s2017

Kirjaudu sisään lähettääksesi tämän lomakkeen

Kuvaajat a–f esittävät erilaisia tilanteita, joissa kappale liikkuu suoraviivaisesti. Kuvaajissa t on aika, x kappaleen paikka ja v kappaleen nopeus. Jokaisessa kuvassa akselit leikkaavat origossa. Valitse jokaiseen tilanteeseen sopivat liikkeen kuvaukset. Jokaiseen tilanteeseen sopii yksi tai useampi vaihtoehto.



Kappaleen liike on tasaista.


Kappaleen liike on kiihtyvää tai hidastuvaa.


Hetkellä t = 0 s kappale on levossa.


Kappale on samassa paikassa liikkeen alussa ja lopussa.


Maks. 24 p.

Kirjaudu sisään lähettääksesi tämän lomakkeen

6. #1 k2017

Kirjaudu sisään lähettääksesi tämän lomakkeen

Tarkastellaan pallon liikettä. Valitse kutakin tilannetta a–f vastaava paikan kuvaaja 1–6 ja
nopeuden kuvaaja K–P. Anna vastaukseksi kuhunkin tilanteeseen sopiva numero-kirjainpari käyttäen isoja kirjaimia. (alkuperäistä tehtävänantoa mukaillen)

a) Pallo on levossa. Paikka: Nopeus:
b) Pallo vierii vaakasuoralla tasolla.Paikka: Nopeus:
c) Pallo vierii vaakasuoralla tasolla. Liikkeen aikana palloa lyödään mailalla liikkeen suuntaan. Paikka: Nopeus:
d) Pallo vierii vaakasuoralla tasolla, törmää esteeseen ja kimpoaa takaisin tulosuuntaansa. Paikka: Nopeus:
e) Pallo heitetään pystysuoraan ylöspäin. Paikka: Nopeus:
f) Pallo pudotetaan kädestä, osuu lattiaan ja kimpoaa ylöspäin. Paikka: Nopeus:


Kuva: fysiikan YO-koe, kevät 2017

Maks. 12 p.

Kirjaudu sisään lähettääksesi tämän lomakkeen

7. #1 s.2014

Kirjaudu sisään lähettääksesi tämän lomakkeen

Valitse annettuihin ilmiöihin sopiva kesto tai ajanjakson suuruusluokka. Vaihtoehdot on lueteltu alla. Kirjoita valitsemasi vastaus pienellä kirjaimella. (alkuperäistä tehtävänantoa mukaillen)

Auringon kaltaisen tähden elinikä
Ihmisen silmänräpäys
C-14 -ydinten määrän puoliintuminen näytteessä
Pesäpallon ja mailan kosketusaika lyönnissä
Valon kulku Auringosta Maahan
Vuorovesi-ilmiössä vedenkorkeuden jaksollinen vaihtelu

a) [[$10^{-3}$]] s
b) [[$10^{-1}$]] s
c) [[$10$]] min
d) [[$10$]] h
e) [[$10$]] a
f) [[$10^{4}$]] a
g) [[$10^{10}$]] a

Maks. 6 p.

Kirjaudu sisään lähettääksesi tämän lomakkeen

7. #1 s2013

Kirjaudu sisään lähettääksesi tämän lomakkeen

Seuraavana on lueteltu joukko fysiikassa esiintyviä käsitteitä. Merkitse taulukkoon, onko käsite skalaarisuure, vektorisuure tai ei suure lainkaan. (alkuperäistä sanamuotoa mukaillen)

Aika


Massa


Gravitaatio


Nopeus


Liikemäärä


Liike-energia


Maks. 6 p.

Kirjaudu sisään lähettääksesi tämän lomakkeen

8. #1 K2003

Kirjaudu sisään lähettääksesi tämän lomakkeen

Vastaa, ovatko seuraavat väittämät oikein vai väärin. Perustelua ei tarvitse kirjoittaa. (#1 K2013)

a) Atomi ei voi lähettää sähkömagneettista säteilyä.


b) α-hiukkasen kantama ilmassa on pitempi kuin β-hiukkasen, jolla on sama liike-energia.


c) Radioaallot etenevät avaruudessa valon nopeudella.


d) Mikroaaltosäteilyn aallonpituus on pitempi kuin infrapunasäteilyn.


e) Sähköisen vuorovaikutuksen kantama on ääretön.


f) Lämpösäteily ei ole sähkömagneettista säteilyä


Maks. 6 p.

Kirjaudu sisään lähettääksesi tämän lomakkeen

9. preliminäärikoe s2020 - Osio 1

Kirjaudu sisään lähettääksesi tämän lomakkeen

Vastaa kohtiin 1.1-1.2. Tämä tehtävä on pakollinen. Voit muokata vastauksiasi. Oikeat vastaukset ja pistemääräsi näet vasta kokeen palautuksessa.

Kuvan mukaisessa virtapiirissä on kolme samanlaista lamppua 1–3. Vastaa virtapiiriä koskeviin 1.1.–1.3. kysymyksiin.

1.1 Ennen kytkimen sulkemista, mitkä lamput ovat yhtä kirkkaita keskenään?






1.2 Kytkin suljetaan. Mitä tapahtuu lampulle 1?





1.3 Mitä tapahtuu jännitelähteen napajännitteelle, kun kytkin suljetaan?





1.4 Kuvassa olevat kappaleet A ja B törmäävät. Kappaleen A vauhti on 2 v ja massa m. Kappaleen B vauhti on v ja massa 2 m. Kappaleet tarttuvat törmäyksessä toisiinsa. Vastaa tilanteeseen liittyviin 1.4. ja 1.5. kysymyksiin. Miten kappaleet liikkuvat törmäyksen jälkeen?






1.5 Mitä törmäyksessä tapahtuu kokonaisliike-energialle ja kokonaisliikemäärälle?






Lasersäde etenee kuvan mukaisesti väliaineesta 1 väliaineeseen 2. Vastaa tilannetta koskeviin 1.6.–1.8. kysymyksiin.

1.6 Millainen on valon etenemisnopeus kyseisissä väliaineissa?





1.7 Millainen on valon taajuus kyseisissä väliaineissa?





1.8 Millaiset ovat aineiden taitekertoimet?






Kuvassa on johdin, jossa sähkövirran suunta on oikealle. Vastaa tilannetta koskeviin 1.9. ja 1.10. kysymyksiin.

1.9 Millainen on magneettikentän suunta johtimen lähelle merkityssä pisteessä A?






1.10 Pisteen A kautta asetetaan kulkemaan kuvan johtimen kanssa yhdensuuntainen johdin, jossa on myös sähkövirta oikealle. Mitä voidaan sanoa johtimien välisestä vuorovaikutuksesta?



Kirjaudu sisään lähettääksesi tämän lomakkeen